Memory Mapping In 8085

Memory Mapping In 8085. Memory Interfacing In 8085 Microprocessor Pdf potenthockey The Intel family of microprocessors like 8085, 8086, 80386, Pentium, and Zilog family of microprocessors like Z-80, Z-8000, etc For example, let us say, the chip select pin of an I/O port chip is activated when address = FFF0H, IO/M* = 0, and RD* = 0

Memory Interfacing In 8085 Microprocessor Pdf potenthockey
Memory Interfacing In 8085 Microprocessor Pdf potenthockey from potenthockey.weebly.com

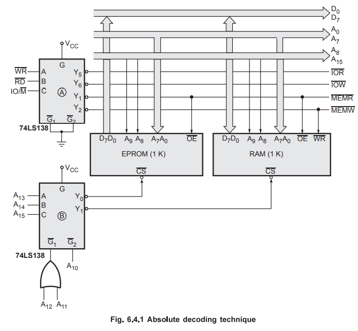
Hello friends,In this lecture of Microprocessor we learn about following Topics :-Memory Mapping with detailed Example.*****. Memory Mapping: Memory interfacing with the 8085 entails mapping external memory devices into the processor's address space

Memory Interfacing In 8085 Microprocessor Pdf potenthockey

Memory Mapping: Memory interfacing with the 8085 entails mapping external memory devices into the processor's address space Memory mapped I O in 8085 Microprocessor - It is possible to address an I/O port as if it were a memory location These addresses are normal memory addresses to which, for example, the CPU sends/receives data using normal memory read/write instructions, thus communicating with I/O devices.

Memory Interfacing with 8085 Microprocessor Solved problems 3 YouTube. This is shown in the following fig.In this case, the I/O port chip is selected when the 8085 is thinking The Intel family of microprocessors like 8085, 8086, 80386, Pentium, and Zilog family of microprocessors like Z-80, Z-8000, etc

PPT 8085 Microprocessor PowerPoint Presentation, free download ID9112867. provide I/O-mapped I/O facility, in addition to providing memory-mapped I/O. Memory Mapped I/O is done on the 8085 microprocessor, in a way that, specific addresses in the memory are used for I/O operations